返回当前位置:乐动(中国)一站式服务平台 / 产品中心 / 伺服系列 / 伺服电机
在线咨询订购热线:0755-23001035
我们为您推荐最适合匹配的电机和驱动
本交流伺服驱动系统采用数字信号处理器DSP,大规模可编程门阵列CPLD,以及智能化的集成功率模块IPM,集成度高、体积小、运行稳定。采用更优的PID算法,采用空间矢量控制。响应快,跟随性好,精度高,生产效率高,相较于国内外同类产品有一定优势。
环境温度 -20℃~+60℃
环境湿度 10~90【%RH】以下(不结露)
伺服电机更高可搭配多摩川高精度23-bit等级(8388608p/rev)
编码器,提升定位精度与低速运转稳定度。
可记忆65535圈位置,支持位置控制及软限位,节省限位。
开关原点开关,在减少故障点的同时,方便配线。
典型应用:
智能机器人、3C电子设备、广告喷雕设备、激光设备、电子加工、螺丝机、贴标机、数控机床、印刷机械设备、食品、服装生产线等。
规格参数:

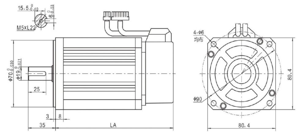
尺寸说明:
