可驱动20、28、35、39、42全系列两相步进电机" />

欢迎来到乐动平台官网,深圳电机驱动器厂家主要研发、性价比高电机驱动器、伺服电机驱动器、步进电机、步进电机驱动器等产品。

步进电机驱动专家

全国咨询热线400 000 6331

两相混合式步进驱动器
全国服务热线400 000 6331
  • STD245M
  • 245星火.jpg
  • 主图6.jpg
  • 主图5.jpg
  • 245.jpg

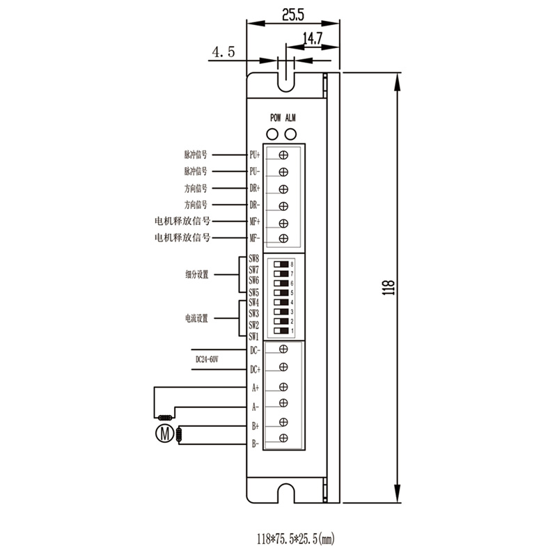
STD245M 类别:两相混合式步进驱动器

产品简介:STD245M是一款基于32bit高运算能力的ARM为核心,研制而成的高集成度步进电机驱动器。驱动器以分离式功率元件为主驱电路,采用电流传感器作为反馈,进而形成电流闭环。产品性能稳定、长期运行可靠。在点胶机、螺丝机、SMT等设备.上获得了广泛应用。
可驱动20、28、35、39、42全系列两相步进电机

在线咨询订购热线:0755-23001035

我们为您推荐最适合匹配的电机和驱动

说明书下载

产品介绍

11P9-STD245M.jpg

  • 扫一扫,关注我们